




PVC4-62型A式PVC4-62型A式耐腐抽风机是一种专为腐蚀性环境设计的通风设备,广泛应用于化工、电镀、实验室、污水处理等存在酸碱性气体的场所。
一、核心特点
1.材质结构
• 全PVC(聚氯乙烯)制造:风机叶轮、壳体等主要部件采用抗腐蚀PVC材料,耐酸碱性能优异,适用于腐蚀性气体环境。
• A式电机直联:电机直接驱动叶轮(无皮带传动),结构紧凑,效率高,减少维护需求。
2.性能参数
• 风量/风压:4-62型通常为中低压风机,风量范围广(具体需参考型号后缀数字),适合常规排风或工艺通风。
• 转速:通常为2900rpm(4极电机)或1450rpm(6极电机),可根据需求调整。
3.耐腐设计
• 密封性:轴封部分采用耐腐机械密封或PTFE材质,防止气体泄漏腐蚀电机。
• 表面处理:金属部件(如支架)可能经过防腐涂层处理,延长使用寿命。
4.应用场景
• 化工车间酸雾排放、电镀槽通风、实验室废气处理、污水处理厂曝气等。
二、选型注意事项
• 气体性质:确认介质的腐蚀性成分(如盐酸、硫酸等)及浓度,确保PVC材质适用(PVC不耐部分有机溶剂)。
• 温度限制:PVC一般适用温度≤60℃,高温环境需考虑PP或FRP材质风机。
• 配套管道:建议使用同材质PVC风管,避免电化学腐蚀。
三、维护要点
• 定期检查叶轮腐蚀磨损情况,避免动平衡失效。
• 清洁时避免使用有机溶剂(如丙酮),可用清水或中性清洁剂。
• 长期停用时需彻底排净内部残留气体,防止静置腐蚀。
浏览人数
PVC4-62-A型耐腐抽风机 PVC4-62-A型耐腐抽风机参照金属4-62性能参数采用硬聚氯乙烯板,加热压模焊接而成。其广泛应用于科研、化工、冶金、电子、医药、纺织、仪表、电镀、矿山、学校酒店、宾馆、实验室、环保配套设备等行业中作通风换气排除酸碱性等有害气体通风之用。但不允许输送含芳香族化合物、脂肪族与芳香族碳氢化合物的卤素衍生物、酮类等腐蚀性气体。具有耐化学腐蚀、不易老化、比重小、机械振动小、噪音低、运转平稳等特点其所输送气体不允许含有粘性物质、所含粉尘及硬质颗粒≤150mg/m3、气体温度≤50℃、相对湿度≤100%。且避免阳光暴晒、风机现场附近不得有热源。
PVC4-62-A Corrosion resistant exhaust fan PVC4-62-A Corrosion resistant exhaust fan With reference to the performance parameters of metal 4-62 it is made of hard polyvinyl chloride plate and welded by heated pressing die. It is widely used in scientific research chemical industry metallurgy electronics medicine textile instrumentation electroplating mining school hotels guesthouses laboratories environmental protection equipment and other industries for ventilation ventilation to remove acid and alkaline and other harmful gases. However it is not allowed to transport corrosive gases containing aromatic compounds aliphatic and aromatic hydrocarbons halogen derivatives ketones and so on. It has the characteristics of chemical corrosion resistance not easy to aging small specific gravity small mechanical vibration low noise smooth operation and so on. The gas delivered by it is not allowed to contain viscous substances dust and hard particles≤150mg/m3 gas temperature≤50℃ relative humidity≤100% Avoid sun exposure and no heat source near the fan site.
| 机 号 Model(No) |
||||
|---|---|---|---|---|
| 功 率 Power(Kw) |
转 速 Speed(r/min) |
流 量 Volume(M3/h) |
全 压 Pressure(Pa) |
|
| 2A | 0.25 | 1450 | 680-800 | 128-78 |
| 3A | 1.1 | 1450 | 1000-1400 | 323-127 |
| 0.75 | 1450 | 1000-1400 | 323-127 | |
| 4A | 1.1 | 1450 | 2500-3300 | 588-245 |
| 0.75 | 1450 | 2500-3300 | 588-245 | |
| 5A | 2.2 | 1450 | 5500-7500 | 999-441 |
| 1.5 | 1450 | 5500-7500 | 999-441 | |
| 6A | 5.5 | 1450 | 8400-11550 | 1337-720 |
| 4 | 1450 | 8000-11000 | 1274-686 | |
| 1.5 | 960 | 4420-8841 | 498-317 | |
| 7A | 7.5 | 1450 | 10500-16500 | 1580-980 |
| 3 | 960 | 6650-11000 | 650-425 | |
| 8A | 5.5 | 960 | 10478-19428 | 887-651 |
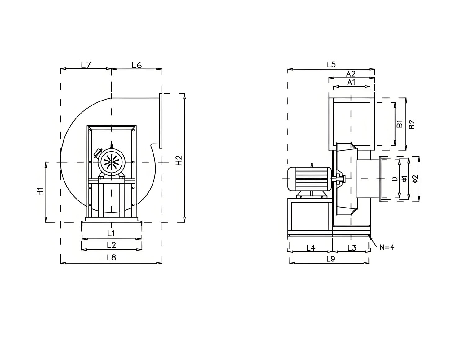
外形及安装尺寸示意图 Lnstallation size diagram

| 机 号 | |||||||||||||||||||
|---|---|---|---|---|---|---|---|---|---|---|---|---|---|---|---|---|---|---|---|
| 进风口 Air inlet | 出风口 Vent | 外形尺寸 Shape size | 底架尺寸 Bottom frame size | ||||||||||||||||
| NO | Φ1 | Φ2 | Φ3 | A1 | A2 | B1 | B2 | H1 | H2 | L5 | L6 | L7 | L8 | L1 | L2 | L3 | L4 | L9 | N |
| 2A | 118 | 177 | 204 | 114 | 208 | 128 | 217 | 208 | 446 | 428 | 172 | 168 | 340 | 232 | 272 | 157 | 220 | 367 | M12 |
| 3A | 183 | 232 | 277 | 177 | 266 | 198 | 285 | 278 | 616 | 485 | 237 | 258 | 495 | 320 | 356 | 199 | 242 | 401 | M12 |
| 4A | 25 | 290 | 350 | 240 | 324 | 268 | 353 | 348 | 786 | 542 | 303 | 349 | 652 | 408 | 440 | 241 | 242 | 435 | M12 |
| 5A | 309 | 373 | 395 | 289 | 397 | 332 | 440 | 442 | 987 | 667 | 356 | 431 | 787 | 508 | 548 | 304 | 260 | 521 | M12 |
| 6A | 387 | 437 | 487 | 345 | 456 | 403 | 518 | 511 | 1160 | 754 | 413 | 515 | 928 | 544 | 588 | 361 | 280 | 581 | M12 |
| 7A | 443 | 498 | 553 | 406 | 519 | 472 | 584 | 605 | 1352 | 862 | 491 | 614 | 1105 | 674 | 718 | 422 | 341 | 689 | M12 |
| 8A | 525 | 588 | 648 | 468 | 597 | 546 | 683 | 700 | 1544 | 970 | 569 | 713 | 1282 | 804 | 848 | 483 | 402 | 797 | M12 |

品牌:万通星风 品名:耐腐抽风机 型号:PVC4-62型A式 简介:参照金属4-62性能参数采用硬聚氯乙烯板,加热压模焊接而成。可输送含酸碱成分及化学成分的腐蚀性有毒气体。