



4-72A\D型不锈钢保温风机在离心通风机的基础上增加方形保温箱体。它在对于输送含有热量气体的场合,能有效减少由进风口到出风口热量的散失,从而确保气体温度的稳定性。
浏览人数
4-72A不锈钢保温风机 4-72A不锈钢保温风机不锈钢保温风机是在4-72系列离心式通风机的基础上增加方形保温箱体,它在对于输送含有热量气体的场合,能有效减少由进风口到出风口热量的散失,从而确保气体温度的稳定性。广泛应用于烘干炉、工业烤炉送风、热循环系统等。
4-72A Stainless steel insulated fan 4-72A Stainless steel insulated fanStainless steel heat preservation fan is in 4-72 series of centrifugal fan on the basis of the increase of square insulation box it in the delivery of gas containing heat can effectively reduce the heat loss from the inlet to the outlet so as to ensure the stability of gas temperature. Widely used in drying oven industrial oven air supply heat circulation system etc.
| 机 号 Model(No) |
|||||
|---|---|---|---|---|---|
| 转 速 Speed(r/min) |
功 率 Power(Kw) |
机座号 Poles frame size-p |
流 量 Volume(M3/h) |
全 压 Total pressure(pa) |
|
| 2.5A | 2900 | 0.75-2 | 80M-2 | 805-1677 | 792-483 |
| 2.8A | 2900 | 1.5-2 | 90S-2 | 1131-2356 | 994-606 |
| 3.2A | 2900 | 2.2-2 | 90L-2 | 1688-3517 | 1300-792 |
| 1450 | 1.1-4 | 90S-4 | 844-1758 | 324-198 | |
| 3.6A | 2900 | 3.0-2 | 100L-2 | 2664-5268 | 1578-989 |
| 1450 | 1.1-4 | 90S-4 | 1332-2634 | 393-247 | |
| 4A | 2900 | 5.5-2 | 132S-2 | 4012-7419 | 2014-1320 |
| 1450 | 1.1-4 | 90S-4 | 2006-3709 | 501-329 | |
| 4.5A | 2900 | 7.5-2 | 132S-2 | 5712-10562 | 2554-1571 |
| 1450 | 1.1-4 | 90S-4 | 2856-5281 | 634-416 | |
| 5A | 2900 | 15.0-2 | 160M-2 | 7728-15455 | 3187-2019 |
| 1450 | 2.2-4 | 100L-4 | 3864-7728 | 790-502 | |
| 5.6A | 1450 | 3.0-4 | 100L-4 | 7061-9885 | 957-759 |
| 6A | 1450 | 4.0-4 | 112M-4 | 6677-13353 | 1139-724 |
| 960 | 1.5-6 | 100L-6 | 4420-8841 | 498-317 | |
| 6.3A | 1450 | 5.5-4 | 132S-4 | 8052-13028 | 1239-921 |
| 960 | 1.5-6 | 100L-6 | 5331-8626 | 542-403 | |
| 7.1A | 1450 | 11.0-4 | 160M-4 | 12676-20513 | 1572-1168 |
| 960 | 3.0-6 | 132S-6 | 8392-13581 | 689-512 | |
| 6D | 1450 | 4.0-4 | 112M-4 | 6677-13353 | 1572-1168 |
| 960 | 1.5-6 | 100L-66 | 4420-8841 | 498-317 | |
| 8D | 1450 | 18.5-4 | 180M-4 | 15826-29344 | 2032-1490 |
| 960 | 5.5-6 | 132M-6 | 10478-19428 | 887-651 | |
| 730 | 3.0-8 | 132M-8 | 7968-14773 | 512-376 | |
| 10D | 1450 | 55-4 | 250M-4 | 40441-56605 | 3202-2532 |
| 960 | 18.5-6 | 200L-6 | 26775-37476 | 1395-1104 | |
| 730 | 7.5-8 | 160L-8 | 20360-28497 | 805-637 | |
| 12D | 960 | 45.0-6 | 280S-6 | 46267-64759 | 2013-1593 |
| 730 | 18.5-8 | 225S-8 | 35182-49244 | 1160-919 |
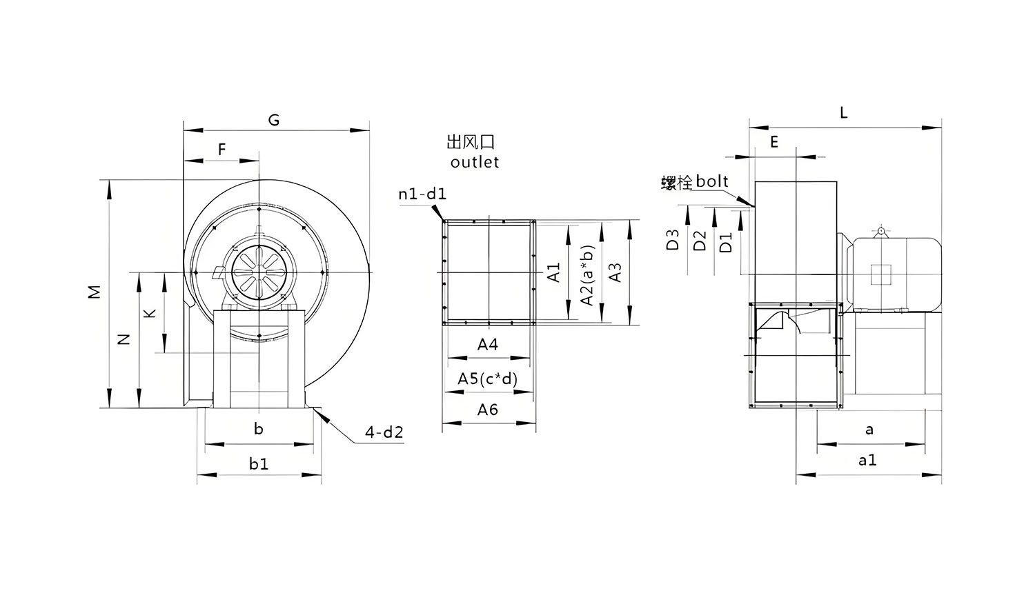
外形及安装尺寸示意图 Lnstallation size diagram

| 机号 | ||||||||||||||
|---|---|---|---|---|---|---|---|---|---|---|---|---|---|---|
| 进风口尺寸 Air inlet | 出风口尺寸 Vent | |||||||||||||
| NO | D1 | D2 | D3 | 螺栓 | 个数 | A1 | A2 | A3 | A4 | A5 | A6 | a*b | c*d | n1-d1 |
| 2.5 | 248 | 280 | 309 | M6 | 8 | 209 | 237 | 266 | 171 | 200 | 228 | 79*3 | 100*2 | 10-Φ11 |
| 2.8 | 282 | 310 | 333 | M6 | 8 | 228 | 259 | 286 | 200 | 228 | 260 | 64*4 | 77*3 | 14-Φ11 |
| 3.2 | 325 | 252 | 370 | M6 | 6 | 255 | 286 | 313 | 218 | 247 | 280 | 74*4 | 84*3 | 14-Φ11 |
| 3.6 | 368 | 387 | 413 | M8 | 16 | 294 | 324 | 352 | 250 | 278 | 310 | 81*4 | 70*4 | 16-Φ11 |
| 4 | 409 | 437 | 460 | M8 | 16 | 329 | 360 | 388 | 285 | 315 | 340 | 72*5 | 79*4 | 18-Φ11 |
| 4.5 | 446 | 492 | 515 | M8 | 16 | 363 | 395 | 422 | 320 | 348 | 380 | 78*5 | 88*4 | 18-Φ11 |
| 5 | 500 | 540 | 565 | M8 | 16 | 405 | 435 | 464 | 356 | 384 | 416 | 109*4 | 97*4 | 18-Φ11 |
| 5.6 | 562 | 593 | 624 | M8 | 16 | 450 | 497 | 531 | 370 | 422 | 485 | 80*6 | 88*5 | 18-Φ11 |
| 6 | 603 | 640 | 660 | M8 | 16 | 483 | 532 | 563 | 427 | 478 | 508 | 106.4*5 | 95.6*5 | 20-Φ11 |
| 6.3 | 640 | 667 | 698 | M8 | 16 | 494 | 542 | 566 | 441 | 485 | 509 | 108*5 | 97*5 | 20-Φ11 |
| 7.1 | 730 | 755 | 795 | M8 | 16 | 568 | 621 | 662 | 497 | 554 | 593 | 125*5 | 110*5 | 20-Φ11 |
| 机号 | ||||||||||||
|---|---|---|---|---|---|---|---|---|---|---|---|---|
| 外形及安装尺寸 Shape and installation dimensions | ||||||||||||
| Model | G | M | F | L | N | K | E | a | b | a1 | b1 | d2 |
| 2.5 | 416 | 520 | 171 | 450 | 320 | 175 | 88 | 200 | 225 | 260 | 250 | Φ10 |
| 2.8 | 477 | 600 | 210 | 480 | 350 | 197 | 174 | 100 | 256 | 320 | 280 | Φ10 |
| 3.2 | 546 | 670 | 236 | 530 | 400 | 230 | 195 | 110 | 255 | 340 | 280 | Φ10 |
| 3.6 | 599 | 752 | 253 | 600 | 450 | 253 | 222 | 123 | 275 | 360 | 300 | Φ10 |
| 4 | 680 | 810 | 295 | 700 | 500 | 312 | 251 | 140 | 370 | 410 | 406 | Φ10 |
| 4.5 | 756 | 925 | 327 | 733 | 570 | 354 | 312 | 157 | 370 | 430 | 406 | Φ12 |
| 5 | 825 | 1040 | 343 | 860 | 625 | 354 | 354 | 175 | 440 | 530 | 480 | Φ12 |
| 5.6 | 916 | 1130 | 384 | 746 | 680 | 390 | 394 | 196 | 380 | 500 | 430 | Φ12 |
| 6 | 980 | 1210 | 408 | 740 | 745 | 420 | 385 | 210 | 375 | 450 | 420 | Φ12 |
| 6.3 | 1017 | 1300 | 432 | 915 | 790 | 440 | 411 | 220 | 480 | 630 | 520 | Φ15 |
| 7.1 | 1202 | 1450 | 522 | 1040 | 880 | 795 | 500 | 252 | 440 | 700 | 490 | Φ15 |
4-72型C式碳钢离心风机叶轮、机壳、进风口、机架、轴承箱等皮带传动而组成。叶轮:由10个后倾斜的机翼型叶片、曲线型前盘和平板后盘组成。并经过动平衡校正,气动性能,故运转平衡、振动小、效率高、寿命长等特点。
4-72型C式不锈钢离心风机采用不锈钢板焊成蜗型壳体,进风口全部模具成型,风机的传动方式为C式皮带传动。是一款高效率、高性能、低耗能环保风机。具有耐化学腐蚀、不易老化、机械振动小、噪音低、运转平稳等特点。
4-72A\D型不锈钢保温风机在离心通风机的基础上增加方形保温箱体。它在对于输送含有热量气体的场合,能有效减少由进风口到出风口热量的散失,从而确保气体温度的稳定性。
4-72型A式不锈钢通风机采用不锈钢板焊成蜗型壳体,进风口全部模具成型,配直连电动机而组成。是一款高效率、高性能、低耗能环保风机。可输送含酸碱成分及化学成分的腐蚀性有毒气体。

品牌:万通星风 品名:汶川不锈钢保温风机 型号:4-72A\D型 简介:4-72A\D型不锈钢保温风机在离心通风机的基础上增加方形保温箱体。它在对于输送含有热量气体的场合,能有效减少由进风口到出风口热量的散失,从而确保气体温度的稳定性。