


PP9-19型A式高压抽风机一般用于化工、氧化、电镀、酸碱、蓄电池、污水处理、无线电等行业高压强制通风,输送的介质为空气和其它不自燃、对人体无害、有腐蚀性气体,气件不允许有粘性物质,一般通风换气时使用温度≤60℃
浏览人数
PP9-19型A式塑料高压离心风机 PP9-19型A式塑料高压离心风机一般用于化工、氧化、电镀、酸碱、蓄电池、污水处理、无线电等行业高压强制通风,输送的介质为空气和其它不自燃、对人体无害、有腐蚀性气体,气件不允许有粘性物质,一般通风换气时使用温度≤60°℃,所含的尘土及硬质颗粒≤150mg/m3
PP9-19 C-type plastic high pressure centrifugal fan PP9-19 A-type plastic high pressure centrifugal fan Generally used for high pressure forced ventilation in chemical, oxidation, electroplating, acid and alkali, battery, sewage treatment, radio and other industries. The conveyed medium is air and other non-spontaneous combustion, harmless to human body, corrosive gas. The gas parts are not allowed to contain sticky substances. The general ventilation temperature is ≤60°℃, and the dust and hard particles contained are ≤150mg/m3
| 机 号 Model(No) |
||||
|---|---|---|---|---|
| 功 率 Power(Kw) |
转 速 Speed(r/min) |
流 量 Volume(M3/h) |
全 压 Pressure(Pa) |
|
| 4.5A | 5.5 | 2900 | 1760 | 4900 |
| 4 | 2900 | 1600 | 4500 | |
| 5A | 7.5 | 2900 | 2109 | 5500 |
| 5.6A | 7.5 | 2900 | 2620 | 6900 |
| 6.3A | 15 | 2900 | 3860 | 8900 |
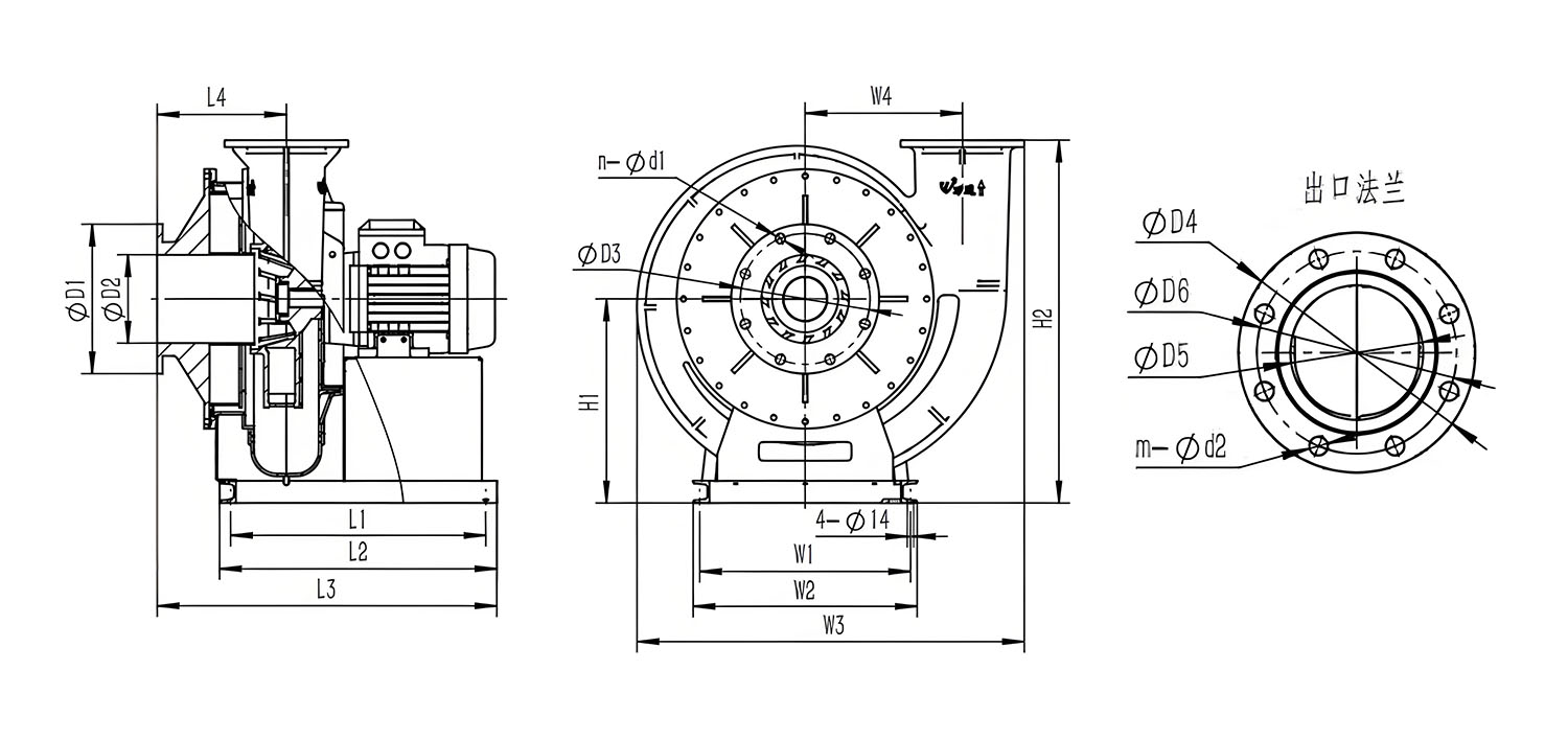
外形及安装尺寸示意图 Lnstallation size diagram

| 机号 | ||||||||||
|---|---|---|---|---|---|---|---|---|---|---|
| 进风口 | 出风口 | |||||||||
| NO | D1 | D2 | D3 | n | d1 | D4 | D1 | D2 | M | d2 |
| 4.5C | 337 | 192 | 295 | 8 | 22 | 247 | 136 | 209 | 8 | 18 |
| 5C | 337 | 199 | 295 | 8 | 22 | 282 | 158 | 238 | 8 | 22 |
| 5.6C | 395 | 220 | 350 | 12 | 22 | 337 | 190 | 295 | 8 | 22 |
| 6.3C | 395 | 262 | 350 | 12 | 22 | 337 | 190 | 295 | 8 | 22 |
| 机号 | ||||||||||
|---|---|---|---|---|---|---|---|---|---|---|
| 外形尺寸 | 底架尺寸 | |||||||||
| NO | L3 | W3 | H2 | H1 | L4 | W4 | L1 | L2 | W1 | W2 |
| 4.5C | 1241 | 705 | 760 | 435 | 322 | 286 | 980 | 1030 | 532 | 562 |
| 5C | 1339 | 716 | 813 | 473 | 358 | 294 | 1050 | 1100 | 543 | 573 |
| 5.6C | 1459 | 735 | 920 | 523 | 401 | 303 | 1100 | 1150 | 562 | 592 |
| 6.3C | 1548 | 834 | 1021 | 578 | 460 | 309 | 1170 | 1220 | 661 | 690 |
FPE型C式节能耐腐蚀风机可输送硫酸、硫磺酸、硝酸、氮酸、氢氟酸、鲍里斯酸、氢氰酸、盐酸,氨、苏打、乙醇、氢氧化钾、甲醇、丙烷、苯、甲醛等腐蚀性有毒气体。
HPE型C式塑料防腐风机广泛应用于科研、化工、电镀、冶金、电子、医药、实验室通风柜以及环保配套设备等含有腐蚀性气体的场所。
WT4-72型A式通用防腐风机风机蜗壳、风轮采用模压一体成型,进出风都采用标准圆形接口(160、200、250、300)非常方便接标准的塑料管道。
HPE型A式节能高效风机具有强度高、能耗低、效率高、噪音低、重量轻、风量风压大、不易老化、运转平稳、耐腐蚀性能良好、便于安装等特点。

品牌:万通星风 品名:汶川高压抽风机 型号:PP9-19型A式 简介:PP9-19型A式高压抽风机一般用于化工、氧化、电镀、酸碱、蓄电池、污水处理、无线电等行业高压强制通风,输送的介质为空气和其它不自燃、对人体无害、有腐蚀性气体,气件不允许有粘性物质,一般通风换气时使用温度≤60℃